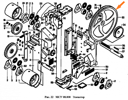
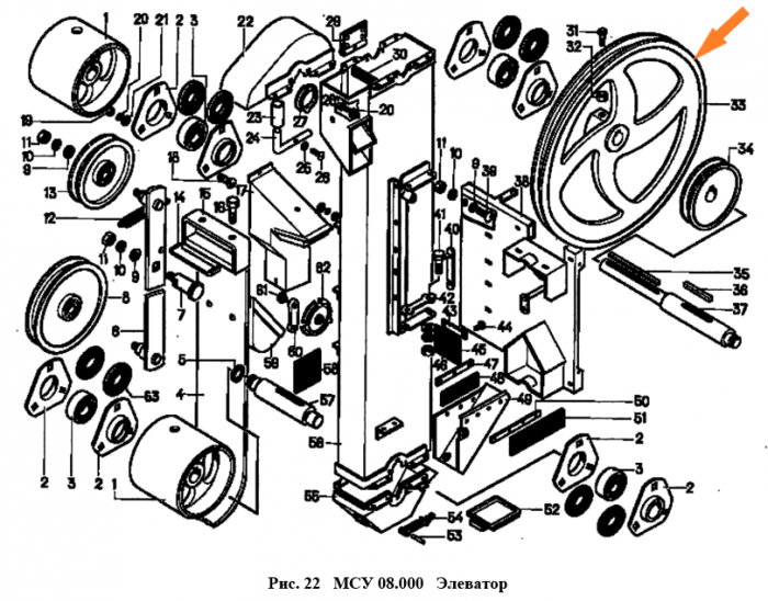
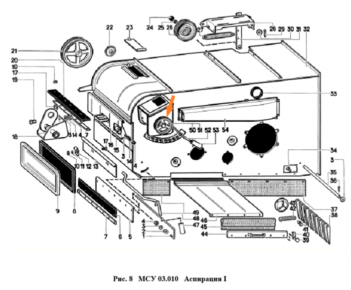
МС-4,5 — передвижная зерноочистительная машина, предназначенная для вторичной очистки зерновых культур и семян от различных примесей. Она широко используется в сельском хозяйстве для подготовки зерна к хранению, переработке или посеву. Применяется для очистки зерна от сора, пыли, мелких и крупных примесей. Может работать с различными культурами, включая пшеницу, ячмень, овес, рожь, кукурузу и семена технических культур.Название расшифровывается как "Машина самопередвижная с производительностью 4,5 тонны в час" , что указывает на её мобильность и эффективность. Агромашина применяется как на открытых площадках, так и в закрытых хранилищах или зерноскладах.
Характеристики МС-4,5
-
высокая производительность – до 4,5 тонн зерна в час;
-
оснащена решетными полотнами размером 790×990 мм, которые обеспечивают разделение зерна по размерам и удаление примесей.
-
мобильность - оснащена колесным шасси, что позволяет легко перемещать её между различными площадками — от полевых условий до закрытых хранилищ.
-
аспирационная система - встроенный вентилятор удаляет легкие примеси (пыль, солому, обломки стеблей) из обрабатываемого зерна.
Для обеспечения длительной и эффективной эксплуатации оборудования важно своевременно заменять изношенные детали. Компания "Агромаш" предлагает широкий выбор комплектующих для МС-4.5, которые доступны как в наличии, так и под заказ.
Запчасти для МС-4.5 Нижнем Новгороде
-
Решетные полотна (сита) – основной элемент для разделения зерна по фракциям.
-
Вентиляторы аспирационные – удаляют легкие примеси и пыль.
-
Приводные ремни – обеспечивают передачу крутящего момента между механизмами.
-
Подшипники качения – используются в движущихся частях для снижения трения.
-
Шнеки транспортерные – перемещают зерно внутри машины.
-
Электродвигатели – приводят в действие ключевые узлы оборудования.
-
Крепежные элементы – болты, гайки и шайбы, необходимые для сборки и ремонта узлов.
-
Уплотнители и прокладки – предотвращают утечки и повышают герметичность конструкции.
Если необходимые запчасти отсутствуют в каталоге, вы можете обратиться к менеджерам ООО "Агромаш" для оформления индивидуального заказа. Наши специалисты оперативно помогут вам подобрать и приобрести требуемые комплектующие. Контактные данные компании в Нижнем Новгороде указаны на сайте.
Благодаря регулярному обслуживанию и использованию качественных запасных частей, зерноочистительная машина МС-4.5 сохранит свою производительность и надежность даже при интенсивной эксплуатации. Обращайтесь в "Агромаш" – мы гарантируем высокое качество продукции и профессиональный подход к каждому клиенту.
