Описание
Ёмкость, оснащенная датчиком уровня жидкости и мешалкой.


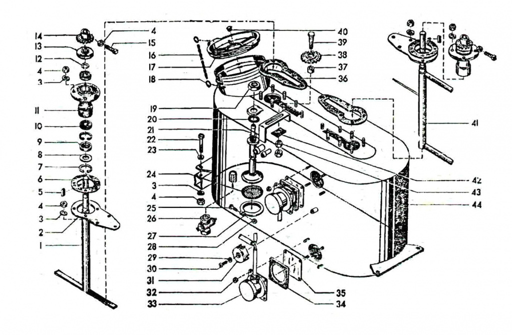
| 1 | ПС-10.02.060 | Мешалка |
| 11 | ПС-10.02.024 | Корпус |
| 14 | 12,7х19х25-1а Н 022.108 | Звездочка |
| 17 | ПС-10.02.006 | Крышка |
| 38 | АПШ 10.160 | Звездочка натяжения |
| 44 | ПС-10.02.030-02 | Бак |
Характеристики
| Материал | Полиуретан |
| Объем | 200 л |
