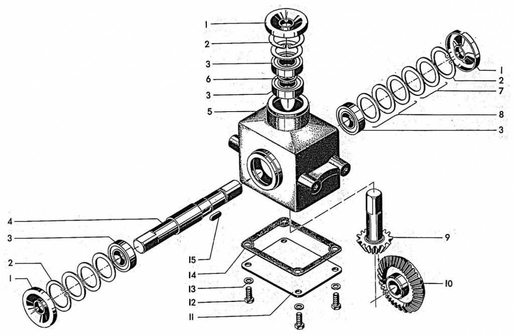
| 4 | ПС-10А.43.608 | Вал |
| 9 | ПС-10А.43.606 | Вал-шестерня |
| 10 | ПС-10А.43.607 | Колесо зубчатое |
| 11 | ПС-10А.43.431 | Крышка |
| 14 | ПС-10А.43.004 | Прокладка |
| 4 | ПС-10А.43.608 | Вал |
| 9 | ПС-10А.43.606 | Вал-шестерня |
| 10 | ПС-10А.43.607 | Колесо зубчатое |
| 11 | ПС-10А.43.431 | Крышка |
| 14 | ПС-10А.43.004 | Прокладка |
