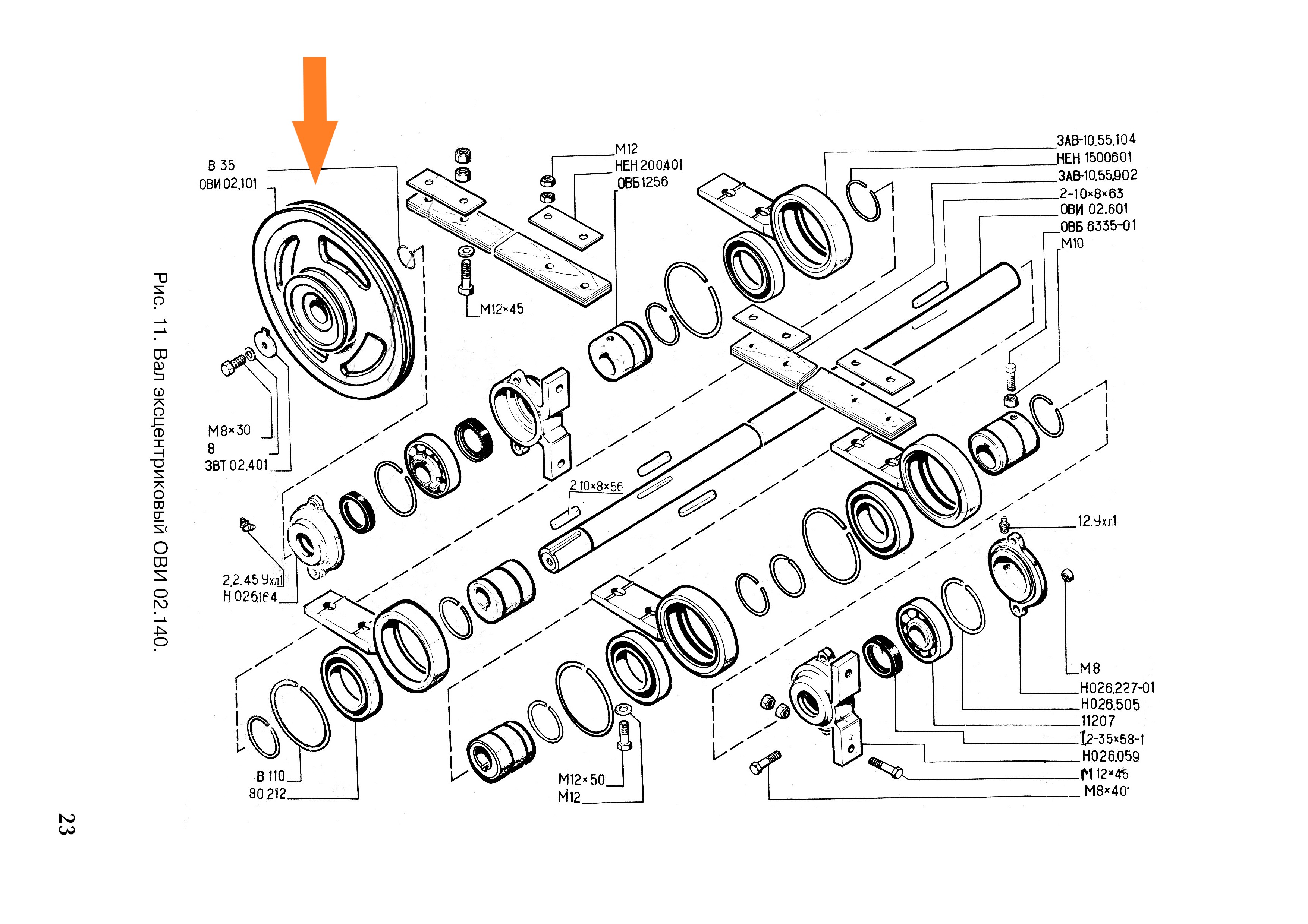
Мы предоставляем полный ассортимент запчастей для зерноочистительной техники производства компании "Агромаш". Наша компания специализируется на производстве комплектующих для Шкив ОВИ 02.101 (Фвнеш.= 288мм, Фвнеш.= 120мм, Фвнутр.= 35мм, 2-х руч., сеч. В(Б)). Приобретая у нас запчасти для этого оборудования, вы можете быть уверены в высоком качестве продукции и доступных ценах.
Чтобы сделать заказ, используйте стандартную форму заявки внизу страницы, отправьте письмо на электронную почту agromash36@yandex.ru
Чтобы сделать заказ, используйте стандартную форму заявки внизу страницы, отправьте письмо на электронную почту agromash36@yandex.ru
