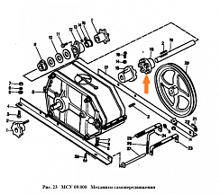
Ролик натяжной МСУ 08.210 (СММ 08.130 (Н 206.23.000)
Запасные части на МС-4,5 в Нижнем Новгороде
Представительства по России
Представительства по России
Цель нашей компании —
предложение широкого ассортимента товаров и услуг на постоянно высоком качестве обслуживания.
предложение широкого ассортимента товаров и услуг на постоянно высоком качестве обслуживания.
